長距離環保型埋刮板輸送機生產廠家
環保刮板機-長距離環保型埋刮板輸送機生產廠家-選型參數表圖紙報價定制 13353676726
產品介紹:
刮板輸送機產品類別:小產量埋刮板輸送機,大產量埋刮板輸送機,長距離埋刮板輸送機,環保型埋刮板輸送機,輸送粉狀顆粒埋刮板輸送機,糧食埋刮板輸送機,煤炭刮板輸送機,耐磨性埋刮板輸送機,耐高溫型埋刮板輸送機,除渣輸渣專用型埋刮板輸送機,鏈式埋刮板輸送機,模鍛鏈式埋刮板輸送機,鑄石板埋刮板輸送機,熟料埋刮板輸送機,石膏生產線專用埋刮板輸送機,垂直提升型埋刮板輸送機,余熱鍋爐專用熱料型埋刮板輸送機,水泥生料、熟料、碎煤及成品物料埋刮板輸送機,以及高效埋刮板輸送機,全封閉式埋刮板輸送機等類別,埋刮板輸送機種類繁多,目前應用到很多行業的生產中,另外,我公司還專業訂制各種物料輸送的埋刮板輸送機。
埋刮板輸送機產品概述:
埋刮板輸送機系列產品廣泛適用于冶金、建材、電力、化工、水泥、港口、碼頭、煤炭、礦山、糧油、食品、飼料、等行業和部門。埋刮板輸送機是一種在封閉的巨形斷面殼體內,借助于運動著的刮板鏈條來輸送散狀物料的連續運輸設備;由于在輸送物料時,刮板鏈條全部埋在物料之中,這也就是稱之為埋刮板輸送機的原因。該系列埋刮板輸送機產品具有結構簡單、密封性好、安裝維修方便、工藝布置靈活等特點;埋刮板輸送機產品不但能水平輸送,也能傾斜或垂直輸送;既可單機使用、也可多臺聯合使用;能多點加料、也能多點卸料。由于殼體封閉,因此在輸送大的、有毒、易爆、高溫物料時可以顯著地改善工人的工作環境和防治環境污染。埋刮板輸送機是倍受冶金、礦山、火電廠歡迎的輸送物料系統設備。
埋刮板輸送機在水平輸送時,物料受到刮板鏈條在運動方向的壓力及物料自身重量的作用,在物料間產生了內摩擦力。這種摩擦力保證了料層之間的穩定狀態,并足以克服物料在機槽中移動而產生的外摩擦力,使物料形成連續整體的料流而被輸送。
埋刮板輸送機在垂直提升時,物料受到刮板鏈條在運動方向的壓力,在物料中產生了橫方向的側面壓力,形成了物料的內摩擦力。同時由于下水平段的不斷給料.下部物料相繼對上部物料產生推移力。這種摩擦力和推移力足以克服物料在機槽中移動而產生的外摩擦阻力和物料自身的重量,使物料形成了連續整體的料流而被提升。
埋刮板輸送機機構簡單,重量輕,體積小,密封性強,安裝維修比較方便;它不但能水平輸送,也能傾斜或垂直提升輸送;能多點加料,也能多點卸料,輸送機工藝布置較為靈活。由于殼體是封閉的,這在輸送易飛揚的,有毒的,易爆的,高溫的物料時,對改善工人的操作條件和防止環境污染等方面都有較突出的優點。
埋刮板輸送機產品工作原理:
在封閉的機殼內借運動著的鏈條刮板與煤的摩擦將煤連續輸出,鏈條刮板在運行時埋于被輸送的煤中固接在牽引鏈上的刮板在封閉的料槽中輸送散狀物料的輸送機。這種輸送機的牽引鏈和刮板都埋入物料中,刮板只占料槽的一部分斷面,物料占料槽的大部分斷面。它能水平、傾斜或垂直輸送物料。水平輸送時,所用刮板為平條形,利用埋入散料的鏈條和刮板對散料層的切割力大于槽壁對散料阻力的原理,使散料隨刮板一起向前移動,此時移動的料層高度與槽寬之比在一定的比值范圍之內,物料流是穩定的。
(1)埋刮板輸送機在水平輸送時,物料受到刮板鏈條在運動方向的壓力及物料自身重量的作用,在物料間產生了內摩擦力。這種摩擦力保證了料層之間的穩定狀態,并足以克服物料在機槽中移動而產生的外摩擦力,使物料形成連續整體的料流而被輸送。
(2)埋刮板輸送機在垂直提升時,物料受到刮板鏈條在運動方向的壓力,在物料中產生了橫方向的側面壓力,形成了物料的內摩擦力。同時由于下水平段的不斷給料,下部物料相繼對上部物料產生推移力。這種摩擦力和推移力足以克服物料在機槽中移動而產生的外摩擦阻力和物料自身的重量,使物料形成了連續整體的料流而被提升。
埋刮板輸送機產品特點:
1、埋刮板輸送機常用于水平輸送顆粒和粉狀物料,亦能在150°角范圍內作傾斜輸送;
2、埋刮板輸送機具有整機壽命高、運行平穩、結構尺寸小、輸送量大、能耗低、物料破損率低等特點;
3、埋刮板輸送機整機結構合理,可以多點加料,刮板的移動速度在減速機的傳動下,運行平穩,噪音低,在單點進出料基礎上,也可多點進料,多點出料,對輸送有毒、易爆、高溫和易飛揚的物料,改善工人操作條件和減少環境污染等方面有突出的特點。
埋刮板輸送機產品適用行業:
埋刮板輸送機系列產品廣泛適用于冶金、建材、電力、化工、水泥、港口、碼頭、煤炭、礦山、糧油、食品、飼料、等行業和部門。埋刮板輸送機是一種在封閉的巨形斷面殼體內,借助于運動著的刮板鏈條來輸送散狀物料的連續運輸設備;由于在輸送物料時,刮板鏈條全部埋在物料之中,這也就是稱之為埋刮板輸送機的原因。該系列埋刮板輸送機產品具有結構簡單、密封性好、安裝維修方便、工藝布置靈活等特點;埋刮板輸送機產品不但能水平輸送,也能傾斜或垂直輸送;既可單機使用、也可多臺聯合使用;能多點加料、也能多點卸料。由于殼體封閉,因此在輸送大的、有毒、易爆、高溫物料時可以顯著地改善工人的工作環境和防治環境污染。埋刮板輸送機是倍受冶金、礦山、火電廠歡迎的輸送物料系統設備。
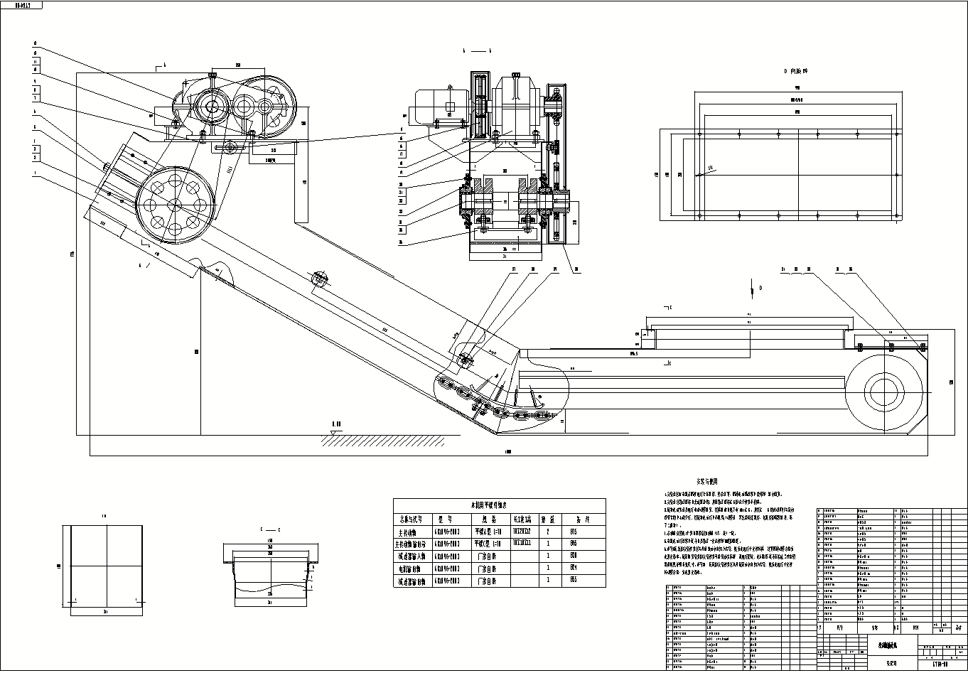
MC系列埋刮板輸送機產品外形結構參考圖:
MC系列埋刮板輸送機產品外形結構組成:1:刮板輸送機驅動裝置;2:刮板輸送機頭部總成;3:刮板輸送機尾部總成;4:刮板輸送機水平進料段;5:刮板輸送機水平中間段;6:刮板輸送機彎曲段;7:刮板輸送機鏈條總成;8:刮板輸送機傾斜中間段。
河南奧創機械-機械設備生產廠家-提供價格方案流程安裝,主營制造各類振動篩分機,輸送機,提升機,給料機,除塵器等,整機質保
[奧創機械]-微信手機同號13353676726


